
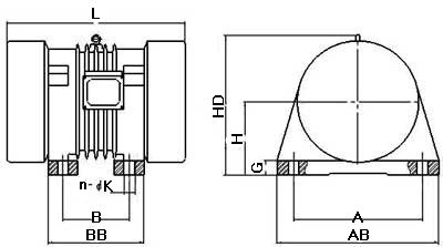
|
型 號(hào)
|
激振力
(kN)
|
功 率
(kW)
|
電 流
(A)
|
振頻(r/min)
|
安 裝 尺 寸
|
重量(kg)
|
|||||||||
|
A
|
B
|
G
|
H
|
HD
|
L
|
AB
|
BB
|
n
|
φK
|
||||||
|
YZO-1.5-2
|
1.5
|
0.15
|
0.35
|
3000
|
180
|
124
|
30
|
82
|
203
|
300
|
210
|
150
|
4
|
10
|
19
|
|
YZO-2.5-2
|
2.5
|
0.25
|
0.58
|
180
|
150
|
25
|
82
|
198
|
328
|
220
|
178
|
4
|
12
|
24
|
|
|
YZO-5-2
|
5
|
0.4
|
1.15
|
220
|
176
|
35
|
91
|
26
|
362
|
270
|
208
|
4
|
14
|
37
|
|
|
YZO-8-2
|
8
|
0.75
|
1.84
|
236
|
180
|
30
|
142
|
301
|
427
|
292
|
247
|
4
|
18
|
53
|
|
|
YZO-16-2
|
16
|
1.5
|
3.84
|
236
|
200
|
30
|
142
|
301
|
451
|
292
|
267
|
4
|
18
|
75
|
|
|
YZO-2.5-4
|
25
|
0.25
|
0.58
|
1500
|
180
|
150
|
25
|
82
|
198
|
328
|
220
|
178
|
4
|
12
|
27
|
|
YZO-5-4
|
5
|
0.4
|
1.15
|
220
|
176
|
35
|
91
|
216
|
388
|
270
|
208
|
4
|
14
|
43
|
|
|
YZO-8-4
|
8
|
0.75
|
1.84
|
236
|
180
|
30
|
142
|
301
|
427
|
292
|
247
|
4
|
18
|
61
|
|
|
YZO-10-4
|
10
|
1
|
2.3
|
236
|
180
|
30
|
142
|
301
|
473
|
292
|
247
|
4
|
18
|
75
|
|
|
YZO-17-4
|
17
|
0.75
|
1.8
|
260
|
150
|
25
|
135
|
350
|
420
|
320
|
240
|
4
|
27
|
78
|
|
|
YZO-20-4
|
20
|
2
|
4.1
|
270
|
224
|
30
|
163
|
370
|
525
|
330
|
298
|
4
|
20
|
135
|
|
|
YZO-30-4
|
30
|
2.5
|
5.75
|
326
|
184
|
35
|
195
|
425
|
530
|
400
|
306
|
4
|
30
|
168
|
|
|
YZO-50-4
|
50
|
3.7
|
7.4
|
326
|
184
|
35
|
195
|
425
|
530
|
400
|
306
|
4
|
30
|
180
|
|
|
YZO-75-4
|
75
|
5.5
|
11
|
440
|
248
|
37
|
240
|
512
|
650
|
530
|
400
|
4
|
36
|
350
|
|
|
YZO-5-6
|
5
|
0.4
|
1.15
|
1000
|
220
|
176
|
35
|
91
|
216
|
388
|
270
|
216
|
4
|
14
|
48
|
|
YZO-8-6
|
8
|
0.75
|
1.84
|
236
|
180
|
30
|
142
|
301
|
471
|
292
|
247
|
4
|
18
|
65
|
|
|
YZO-10-6
|
10
|
0.75
|
2.3
|
236
|
180
|
30
|
142
|
301
|
473
|
292
|
247
|
4
|
18
|
80
|
|
|
YZO-12-6
|
12
|
1
|
2.1
|
260
|
150
|
25
|
135
|
350
|
420
|
320
|
240
|
4
|
27
|
82
|
|
|
YZO-20-6
|
20
|
2
|
4.1
|
270
|
224
|
30
|
163
|
370
|
520
|
330
|
298
|
4
|
20
|
142
|
|
|
YZO-30-6
|
30
|
2.5
|
5.75
|
326
|
184
|
35
|
195
|
425
|
530
|
400
|
306
|
4
|
30
|
180
|
|
|
YZO-50-6
|
50
|
3.7
|
7.4
|
326
|
184
|
35
|
195
|
425
|
550
|
400
|
300
|
4
|
30
|
200
|
|
|
YZO-75-6
|
75
|
5.5
|
11
|
440
|
248
|
37
|
240
|
512
|
650
|
530
|
400
|
4
|
36
|
370
|
|
